
第一部分简易龙门架起重机技术参数说明
1、技术标准:通过并符合以下标准。
GB/T3811-2008 起重机设计规范
JB/T9008.1-99 钢丝绳电动葫芦型式和基本参数标准
JB/T9008.2-99 钢丝绳电动葫芦技术条件
JB/T5663-2008 电动葫芦门式起重机制造标准
JB/T 5317.1-1991 环链电动葫芦型式和基本参数标准
2、表面部分:龙门架表面采用喷砂除锈,油漆:乐华品牌,乐化环氧聚酯胺底漆+环氧聚酯胺面漆。颜色可根据国标色卡定制。
3、万向轮:国内最好品牌,质量超越同级国际品牌,轮直径200mm,材质尼龙轮,非市面上普通的聚酯胺轮子,尼龙轮的硬度和耐磨程度与钢材材质相同,单轮承重3500kg,阻尼系数3/1000,也就是说只要15KG的力就可以将5T的重物移动。
4、钢板采用山钢集团产品,并附材质单。主梁材质Q2345,工字钢采用莱钢集团特钢厂出品,上海磁悬浮列车轨道就是出自这里。工字钢运行平稳无接缝,耐磨,表面硬度达到HB300。
5、立柱采用聊城嘉龙管业无缝钢管,垂直度稳定性国内最好。
6、异形钢采用莱钢特轧钢厂定制产品。
7、电器部分:进口合资品牌:德国西门子/法国施耐德/台湾士林电器,接地保护,短路保护,失压保护,过流过载保护,电源错相保护。
8、专利电缆:定制专利产品,100%足平方,YC橡套带钢丝扁平电缆。电缆双侧带防拖拽钢丝绳,保证运行时绝不拖拽不断线,保证设备正常运行。
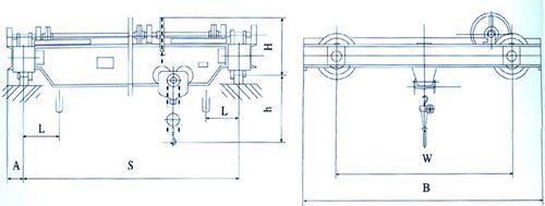
结构图:

质量保证
1、环氧聚酯胺油漆耐晒耐油耐腐蚀,质保三年,不褪色,不变色。
2、万向轮二年包退包换。
3、主梁质保5年,无超载情况下,完全符合国家标准。
4、故障保修:接到保修电话2小时内响应。
7、焊接成型:主要部件采用数控+半自动切割准确下料,大量采用生产制造胎具,焊接平台,保证成型准确稳定的加工工艺,整体焊接全部采用CO2气体保护焊,半自动埋弧焊,焊接强度大。
8、检验机构:设备经过第三方焊接探伤检测机构,100%通过超声波探伤与X射线探伤合格,才准予出厂。
9、山东省特种设备检验机构驻厂检验,从设计;材料;制造;应配件等全程检验。并取得设备监检报告合格后,方可出厂。
技术参数表
| 名称 Title | 单位 Unit | 规格 Specs |
| 额定起重量 Load: | Gn | 0.2T,0.5T,0.8T,1T,2T,3T,5T |
| 跨度 Span: | L | <12m |
| 提升高度 Lifting Height: | H | <12m(可选择高度可调系列) |
| 工作电源 Power source | 可选 | 3p A.C 50HZ 380V |
| 工作级别 Class: | jc | A1-A2 |
| 运行机构: | 固定式,手动轨道铸钢轮,聚酯胺万向轮,尼龙万向轮(硬度:HB300 高于Q235钢材硬度) | |
| 小车机构: | 电动跑车,手动跑车,矛头吊。 | |
| 吊装机构: | 手拉葫芦,电动钢丝绳葫芦,环链电动葫芦。 |
注:Gn=额定起重吨位 S=跨度(左轨道中心至右轨道中心的距离) H=提升高度(地面至吊钩最高点的距离)
简易龙门架起重机-不含万向轮报价单-不含龙门架高度升降器
|
吨位/ 跨度 |
主梁结构 含轮报价不含万向轮 |
手推跑车+ DHS慢速葫芦+电缆挑线架插座附件等。 |
手推跑车+ DHK快速葫芦+电缆挑线架插座附件等。 |
电动环链+台湾仕林电气 净空高,小型化。 |
钢丝绳电动葫芦 注需要当地质监部门验收验收费约4000左右 |
|
1t-3m |
5000 |
2000 |
2600 |
3600 |
3200 |
|
1t-4m |
5500 |
2000 |
2600 |
3600 |
3200 |
|
1t-6m |
6000 |
2000 |
2600 |
3600 |
3200 |
|
2t-3m |
5000 |
2500 |
3200 |
5000 |
4000 |
|
2t-4m |
5500 |
2500 |
3200 |
5000 |
4000 |
|
2t-6m |
6500 |
2500 |
3200 |
5000 |
4000 |
|
3t-3m |
7000 |
3000 |
4800 |
6300 |
5000 |
|
3t-4m |
7800 |
3000 |
4800 |
6300 |
5000 |
|
3t-6m |
9000 |
3000 |
4800 |
6300 |
5000 |
|
5t-3m |
7500 |
3500 |
6600 |
8800 |
6500 |
|
5t-4m |
9000 |
3500 |
6600 |
8800 |
6500 |
|
5t-6m |
10000 |
3500 |
6600 |
8800 |
6500 |



备案号: